
倘若您有什么疑問或是對我公司有任何
的意見和建議都可通過:
的意見和建議都可通過:
公司名稱: 鞏義市西村鎮華豐給排水材料廠
公司地址: 河南省鞏義市西村開發區
電話: 0371-64033589
手機: 18638168566,13683712868
13783416000(技術)
聯系人: 王先生,位女士
郵政編碼: 451200
E-MAIL: 1696257948@qq.com
網址:http://m.chindor.com/
網址:http://m.chindor.com/
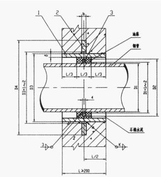
預埋防水套管
標簽:該產品可按照客戶要求訂做,如需訂做請向客服提供您的參數表
華豐竭誠為您服務,熱線電話0371-64033589


預埋防水套管是為了管子穿過磚墻、砼梁、砼墻等構件預留的孔洞。適用于人防,地下工程,化工,鋼鐵,自來水,污水處理等管路穿墻壁要求嚴密防水之處。一般預埋套管的管徑比要穿越構件的管子的管徑大兩個規格。
預埋防水套管分為剛性和柔性兩種安裝是使用的地方不一樣,柔性防水套管主要用在人防墻,水池等要求很高的地方,剛性防水套管一般用在地下室等管道需穿管道地
位置。
剛性防水套管和柔性防水套管的區別
剛性防水套管和柔性防水套管的區別
剛性防水套管是鋼管外加翼環(鋼板做的環形套在鋼管上),裝于墻內(多為混凝土墻),用于一般管道穿墻,利于墻體的防水;柔性防水套管除了外部翼環,內部還有檔圈之類的,法蘭內絲,有成套賣的,也可自己加工,用于有減震需要的管路,如和水泵連接的管道穿墻時。也就是說,如果考慮墻體兩面的防水性能,就要選用柔性防水套管;如果僅僅是考慮管道的穿墻,而不考慮穿墻后,墻體兩面的防水性能以及管道的位移變形,就可以選用剛性防水套管。
預埋防水套管說明:
1 、本圖尺寸均以毫米來計。
2 、預埋防水套管一般適用于管道穿過墻壁之處受有振動或有嚴密防水要的構筑物。
3 、套管部分加工完成后,在其外壁均刷底漆一遍(底漆包括樟丹或冷底子油)。外層防腐由設計決定。
4 、套管穿墻處之墻壁,如遇非混凝土墻壁時應改用混凝土墻壁,其澆注混凝土范圍應比翼環直徑( D6 )大 200mm ,而且必須將套管澆固與墻內。
5 、穿管處之混凝土墻厚應不小于 300mm否則應使墻壁一邊加厚或兩邊加厚。
6 、套管的材料重量是按墻厚 L 值為 300mm 計算,如墻厚大于 300mm 應另行計算。
更多產品詳情可來電咨詢
聯系人:王先生 13783416000 魏女士 13683712868
上一篇:A型剛性防水套管
下一篇:柔性密閉防水套管
版權所有:華豐管道 地址:河南省鞏義市西村開發區 服務熱線:0371-64033589 管理入口E-MAIL: 1696257948@qq.com 手機: 18638168566,13783416000
網站備案/許可證號: 豫ICP備11026537號-5
豫公網安備 41910102000259號 技術支持:鞏義開啟網絡
本網站支持新廣告法,為不影響客戶瀏覽,頁面區域用詞正在排查修改,本店所有頁面絕對化用詞和功能性用詞在此聲明前全部失效,不接受不妥協任何形式的絕對化用詞和功能性用詞賠付,希望各位消費者理解,職業打假人高抬貴手。 網站備案/許可證號: 豫ICP備11026537號-5
豫公網安備 41910102000259號 技術支持:鞏義開啟網絡
